1. Ohms’ Law
Now with an idea of resistance, current and voltage, we can very quickly talk about Ohms law, which states that the current in a circuit is equal to the voltage divided by the resistance. For example, 10 volts with resistance of 10 ohms will result in a current of 1 amp. Increase the voltage or decrease the resistance and the current increases. Decrease the voltage or increase the resistance and the current decreases. This makes sense intuitively, given what we have discussed about the three terms. If you decrease the voltage, and therefore the motivating force behind making the electrons flow, then fewer electrons will flow. If you increase the resistance, the electrons have a harder time flowing due to friction and the current is reduced. Less electrons will be able to flow through the circuit as quickly – and we know that current is the number of coulombs per second – which essentially works out to electrons/second. That is the extent of Ohms law, which is elegant in its simplicity and straightforward, and is extremely important in the design of circuits.
2. Voltage Drop
Let’s talk about what happens in a very simple circuit: imagine a 10V battery connected to a 100 ohm resistor. Practically, this circuit doesn’t do anything – it is just a thought experiment. We know that we can find the current in this circuit: it will be 0.1 amps, as determined by Ohm’s law. This current is constant throughout the circuit: measure the current at any point on the wire and the same number of electrons will be flowing. This makes sense right? It’s not as if more electrons can flow in certain places or pass other electrons. They’re all flowing together at a constant rate.
Can we say the same thing about the voltage? Turns out, we can’t. If you measure the voltage immediately after the battery, before the resistor, the voltage will read 10V. That makes sense: the battery is 10V. What happens if we measure immediately after the resistor? Still 10V? Not true anymore. It will be 0V, or close to it. The resistor has used up the potential energy provided by the battery. It’s as if the battery has to struggle to push the electrons through the resistor and after the resistor it has nothing left to give. This voltage drop occurs because the resistor is using up the energy provided by the battery to do some task. In the case of just a plain old resistor, it’s only function is to provide this voltage drop. In the case of the lightbulb filament, this energy is used to provide light, as well as a significant amount of heat.

What about the resistance in a wire? Wouldn’t this also cause a voltage drop? Yes, but only very minimally, and usually it can just be ignored, since the resistance of copper wire is extremely low – which is exactly why it is used by a conductor.
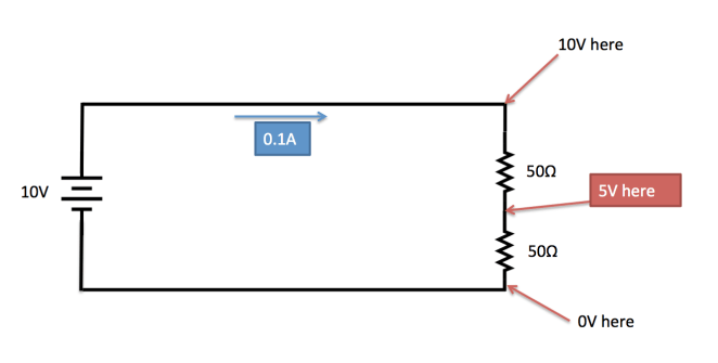
Let’s alter the circuit slightly. Let’s put two resistors in a row, right after each other. Let’s make them both 50 ohms. What happens now if we measure the voltage before the first resistor? Same as before, it’s still 10V. Those electrons haven’t met any resistance yet, and they’re feeling good and still full of energy. After they squeeze through the first resistor, what’s the voltage in the wire? 0V? 10V? Turns out the answer is 5V. With multiple resistors in a circuit, each one drops the voltage proportional to their contribution to the total resistance in the circuit. Since both resistors have equal resistance, the voltage is dropped by half of it’s original value by each resistor. After the first resistor, the voltage is 5V. After the second resistor, the voltage is 0V. That is two voltage drops of 5V each, resulting in going from the 10V battery to 0V. What about the current? Those electrons are still all flowing the same everywhere in the circuit. Since the battery is 10V, and the total resistance is 100 ohms, the current is 0.1A, or 100 milliamps.

3. The Voltage Divider
Is this circuit useful? Yes, it is and it has a special name – it is called a voltage divider. Say you had a 10V battery, but for whatever reason you need 9V for some motor or something. You could put a 10 ohm resistor followed by a 90 ohm resistor in the same configuration as above. After the first resistor, the voltage on the wire would be 9V – exactly what is needed! Then you hook up your motor to that part of the wire and off you go. You can create any voltage you want really, just by switching up the resistor values. Keep in mind though, this might not be the best way of doing this, since we’ve really just wasted a volt in the first resistor – but it is definitely an option.
Previous Topic: Resistance